咨詢電話:15817488109
免費咨詢熱線
15817488109聯系郵箱
2921194817@qq.com步進電機不是恒轉矩電機,運行轉速越高輸出轉矩會越小,所以關注電機保持轉矩參數的同時更應當關注在實際,工作轉速下電機的輸出轉矩(可參考動態力矩曲線圖);并且我們建議預留1.5倍的余量,以免出現過載情況下步進電機丟步的現象。
|
型號 |
保持力矩 (N.m) |
額定電流 (A) |
轉動慣量 (g.cm2) |
機身長 (mm) |
推薦驅動器 |
|
SMB1703 |
0.43 |
1.7 |
56.0 |
41(L)+32 |
S-224D 12-48VDC |
|
SMB1704 |
0.53 |
2.0 |
77.0 |
49(L)+32 |
|
|
SMB1705 |
0.72 |
2.0 |
123.0 |
61(L)+32 |
以上列表的“推薦驅動器”為脈沖型步進電機驅動器,還可以為客戶提供:
總線型步進驅動器(RS485、CANopen、EtherCAT等通訊控制);智能型步進驅動器(電位器調速、內置PLC編程等功能)。
注意事項:
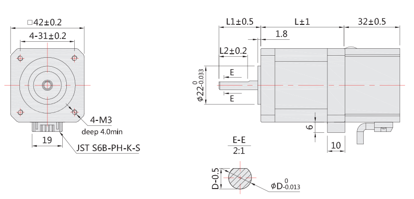
1.務必用電機前端蓋的安裝凸臺定位,并注意公差配合,嚴格保證電機輸出軸與負載的同心度。
2.為減少電機振動產生的噪音,務必將電機牢牢地固定在強韌的金屬面上。
3.電機與驅動器連接時,請勿接錯相。